Санкт-Петербург, ул.Парковая д.6 (м. Московские ворота) +7(911)820-24-54 info.moto98@yandex.ru
  • В корзине пусто!

MOTO98.RU
  • Личный кабинет
    • Регистрация
    • Авторизация
  • Мои закладки (0)
  • Оформление заказа
Категории
  • Запчасти лодочных моторов
    • SUZUKI MARINE
    • Показать все Запчасти лодочных моторов
  • Запчасти для мотоциклов
    • KAWASAKI
    • AGUSTA
    • BMW MOTORRAD
    • BOMBARDIER
    • DUCATI
    • HARLEY DAVIDSON
    • HONDA MOTO
    • HUSQVARNA MOTORCYCIES
    • KTM
    • POLARIS
    • SUZUKI MOTO
    • TRIUMPH
    • YAMAHA
    • Показать все Запчасти для мотоциклов
  • Аналоги
    • ALLBALLS
    • CHAMPION
    • D.I.D
    • FERODO
    • HIFLOFILTRO
    • JT SPROCKETS
    • KYMCO
    • NACHI
    • NTB
    • TRW Lucas
    • КИТАЙ
    • Показать все Аналоги
  • Моторные масла
  • Каталоги производителей
  • Motorcycles
  • HONDA
  • 2008
  • Forza (NSS250A8)

Forza (NSS250A8)

Forza
Cylinder head cover

Cylinder head cover

Cylinder head

Cylinder head

Camshaft/valve

Camshaft/valve

Cam chain/tensioner

Cam chain/tensioner

Cylinder/reed valve

Cylinder/reed valve

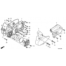
Right crankcase cover/wat er pump

Right crankcase cover/wat er pump

Generators

Generators

Oil pump

Oil pump

Starting motor

Starting motor

Left crankcase cover

Left crankcase cover

Drive face              

                  NSS250A

Drive face NSS250A

Driven face

Driven face

Трансмиссия

Трансмиссия

Картер

Картер

Throttle body

Throttle body

Crankshaft/piston

Crankshaft/piston

Gasket kit a

Gasket kit a

Gasket kit b

Gasket kit b

Phare

Phare

Combination meter

Combination meter

Switch/cable/mirror

Switch/cable/mirror

Front brake master cylinder              

                  NSS250A

Front brake master cylinder NSS250A

Rear brake master cylinder              

                  NSS250A

Rear brake master cylinder NSS250A

Rear brake pipe              

                  NSS250A

Rear brake pipe NSS250A

Parking brake rod knob

Parking brake rod knob

Steering stem

Steering stem

Handle pipe

Handle pipe

Front fender

Front fender

Inner box

Inner box

Front cover/meter visor

Front cover/meter visor

Body cover

Body cover

Luggage box

Luggage box

Floor step

Floor step

Front

Front

Front brake caliper

Front brake caliper

Transom + tube

Transom + tube

Rear brake caliper

Rear brake caliper

Rear wheel/swingarm

Rear wheel/swingarm

Tank fuel

Tank fuel

Battery

Battery

Seat/rear spoiler

Seat/rear spoiler

Actuator

Actuator

Воздушный фильтр

Воздушный фильтр

Exhaust muffler

Exhaust muffler

Stand comp

Stand comp

Ai solenoid valve

Ai solenoid valve

Rear cushion

Rear cushion

Front winker

Front winker

Harness wire

Harness wire

Rear combination light/re ar fender

Rear combination light/re ar fender

Frame body

Frame body

Radiator

Radiator

Tools

Tools

Caution label

Caution label

Label read the manual

Label read the manual

Navi

Navi

Navi att.

Navi att.

Alarm

Alarm

Carrier brkt.

Carrier brkt.

Rr.carrier base

Rr.carrier base

45l top box black

45l top box black

45l top box silver

45l top box silver

45l top box white

45l top box white

Topo box innerbag

Topo box innerbag

Top box innerbag

Top box innerbag

Rubber net a

Rubber net a

Honda u-lock

Honda u-lock

Top box mat

Top box mat

Body cover xl honda logo

Body cover xl honda logo

Top box cover

Top box cover

Top box pad

Top box pad

Pillion backrest pad

Pillion backrest pad

Protective film

Protective film

Grip heater

Grip heater

Scooter blanket

Scooter blanket

Pillion arm rest set

Pillion arm rest set

Handgrip cement

Handgrip cement

Информация
  • О нас
  • Оплата
  • Доставка
  • Условия продажи
  • Политика конфиденциальности
Служба поддержки
  • Связаться с нами
  • Возврат товара
  • Карта сайта
Дополнительно
  • Производители
  • Подарочные сертификаты
  • Партнёры
  • Товары со скидкой
Личный кабинет
  • Личный кабинет
  • История заказов
  • Мои закладки
  • Рассылка новостей

Работает на ocStore
MOTO98.RU © 2018 - 2026