Санкт-Петербург, ул.Парковая д.6 (м. Московские ворота) +7(911)820-24-54 info.moto98@yandex.ru
  • В корзине пусто!

MOTO98.RU
  • Личный кабинет
    • Регистрация
    • Авторизация
  • Мои закладки (0)
  • Оформление заказа
Категории
  • Запчасти лодочных моторов
    • SUZUKI MARINE
    • Показать все Запчасти лодочных моторов
  • Запчасти для мотоциклов
    • KAWASAKI
    • AGUSTA
    • BMW MOTORRAD
    • BOMBARDIER
    • DUCATI
    • HARLEY DAVIDSON
    • HONDA MOTO
    • HUSQVARNA MOTORCYCIES
    • KTM
    • POLARIS
    • SUZUKI MOTO
    • TRIUMPH
    • YAMAHA
    • Показать все Запчасти для мотоциклов
  • Аналоги
    • ALLBALLS
    • CHAMPION
    • D.I.D
    • FERODO
    • HIFLOFILTRO
    • JT SPROCKETS
    • KYMCO
    • NACHI
    • NTB
    • TRW Lucas
    • КИТАЙ
    • Показать все Аналоги
  • Моторные масла
  • Каталоги производителей
  • Motorcycles
  • HONDA
  • 2003
  • Jazz (NSS2503)

Jazz (NSS2503)

Jazz
Cylinder head cover

Cylinder head cover

Cylinder head

Cylinder head

Camshaft/valve

Camshaft/valve

Cam chain/tensioner

Cam chain/tensioner

Cylinder

Cylinder

Водяной насос

Водяной насос

Right crankcase cover

Right crankcase cover

Generators

Generators

Oil pump

Oil pump

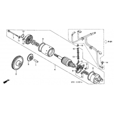
Starting motor

Starting motor

Left crankcase cover

Left crankcase cover

Drive face

Drive face

Driven face

Driven face

Трансмиссия

Трансмиссия

Картер

Картер

Crankshaft/piston

Crankshaft/piston

Carburetor assy

Carburetor assy

Gasket kit a

Gasket kit a

Gasket kit b

Gasket kit b

Phare

Phare

Speedometer

Speedometer

Switch/cable

Switch/cable

Fr. brake master cylinder

Fr. brake master cylinder

Rr. brake master cylinder

Rr. brake master cylinder

Rear brake pipe

Rear brake pipe

Parking brake rod knob

Parking brake rod knob

Handle pipe/ handle cover

Handle pipe/ handle cover

Steering stem

Steering stem

Front fender

Front fender

Front cover shutter

Front cover shutter

Inner box

Inner box

Floor panel/center cover

Floor panel/center cover

Body cover

Body cover

Luggage box

Luggage box

Front

Front

Front brake caliper

Front brake caliper

Transom + tube

Transom + tube

Rear brake caliper

Rear brake caliper

Rear wheel complete assy

Rear wheel complete assy

Seat

Seat

Tank fuel

Tank fuel

Battery

Battery

Воздушный фильтр

Воздушный фильтр

Air injection valve

Air injection valve

Exhaust muffler

Exhaust muffler

Stand comp

Stand comp

Rear cushion

Rear cushion

Winker

Winker

Taillight/rear fender

Taillight/rear fender

Harness wire

Harness wire

Frame body

Frame body

Radiator

Radiator

Tools

Tools

Caution label

Caution label

Label read the manual

Label read the manual

Side molding

Side molding

Grip end

Grip end

Panel set instrument side blue

Panel set instrument side blue

Top box panel kit - nh-a13m

Top box panel kit - nh-a13m

Panel set*nh411m*

Panel set*nh411m*

Top box p*pb221m*

Top box p*pb221m*

Carrier bracket

Carrier bracket

Rear base carrier

Rear base carrier

Top-box 45l

Top-box 45l

Top box 45l

Top box 45l

Top box 45l excalibur gray metallic

Top box 45l excalibur gray metallic

Top box 45l cyclon blue metallic

Top box 45l cyclon blue metallic

Topo box innerbag

Topo box innerbag

Top box innerbag

Top box innerbag

Rubber net a

Rubber net a

Информация
  • О нас
  • Оплата
  • Доставка
  • Условия продажи
  • Политика конфиденциальности
Служба поддержки
  • Связаться с нами
  • Возврат товара
  • Карта сайта
Дополнительно
  • Производители
  • Подарочные сертификаты
  • Партнёры
  • Товары со скидкой
Личный кабинет
  • Личный кабинет
  • История заказов
  • Мои закладки
  • Рассылка новостей

Работает на ocStore
MOTO98.RU © 2018 - 2025