Санкт-Петербург, ул.Парковая д.6 (м. Московские ворота) +7(911)820-24-54 info.moto98@yandex.ru
  • В корзине пусто!

MOTO98.RU
  • Личный кабинет
    • Регистрация
    • Авторизация
  • Мои закладки (0)
  • Оформление заказа
Категории
  • Запчасти лодочных моторов
    • SUZUKI MARINE
    • Показать все Запчасти лодочных моторов
  • Запчасти для мотоциклов
    • KAWASAKI
    • AGUSTA
    • BMW MOTORRAD
    • BOMBARDIER
    • DUCATI
    • HARLEY DAVIDSON
    • HONDA MOTO
    • HUSQVARNA MOTORCYCIES
    • KTM
    • POLARIS
    • SUZUKI MOTO
    • TRIUMPH
    • YAMAHA
    • Показать все Запчасти для мотоциклов
  • Аналоги
    • ALLBALLS
    • CHAMPION
    • D.I.D
    • FERODO
    • HIFLOFILTRO
    • JT SPROCKETS
    • KYMCO
    • NACHI
    • NTB
    • TRW Lucas
    • КИТАЙ
    • Показать все Аналоги
  • Моторные масла
  • Каталоги производителей
  • Motorcycles
  • HONDA
  • 2007
  • PS125 (PES1257)

PS125 (PES1257)

PS125
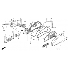
Cylinder head cover

Cylinder head cover

Cylinder head

Cylinder head

Camshaft/valve

Camshaft/valve

Cam chain/tensioner

Cam chain/tensioner

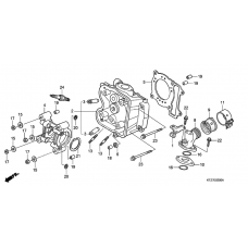
Cylinder

Cylinder

Водяной насос

Водяной насос

Right crankcase cover

Right crankcase cover

Generators

Generators

Oil pump

Oil pump

Starting motor

Starting motor

Left crankcase cover

Left crankcase cover

Drive face

Drive face

Driven face

Driven face

Трансмиссия

Трансмиссия

Картер

Картер

Crankshaft/piston

Crankshaft/piston

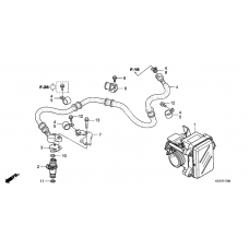
Throttle body

Throttle body

Solenoid valve

Solenoid valve

Gasket kit a

Gasket kit a

Gasket kit b

Gasket kit b

Phare

Phare

Meter

Meter

Handle lever/switch/cable

Handle lever/switch/cable

Fr. brake master cylinder

Fr. brake master cylinder

Handle pipe/handle cover

Handle pipe/handle cover

Steering stem

Steering stem

Front fender

Front fender

Front cover shutter

Front cover shutter

Floor step/pillion step

Floor step/pillion step

Body cover

Body cover

Front

Front

Front brake caliper

Front brake caliper

Transom + tube

Transom + tube

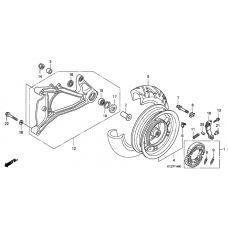
Rear wheel/swingarm

Rear wheel/swingarm

Seat/luggage box

Seat/luggage box

Tank fuel

Tank fuel

Battery

Battery

Воздушный фильтр

Воздушный фильтр

Exhaust muffler

Exhaust muffler

Stand comp

Stand comp

Rear cushion

Rear cushion

Rear fender

Rear fender

Winker

Winker

Rear combination light

Rear combination light

Harness wire

Harness wire

Frame body

Frame body

Radiator

Radiator

Tools

Tools

Caution label              

                  PES125/PES125R

Caution label PES125/PES125R

Label read the manual              

                  PES125/PES150

Label read the manual PES125/PES150

Top box 35 l nh-a12m

Top box 35 l nh-a12m

Top box 35 l max gray metallic

Top box 35 l max gray metallic

Top box 35 l pearl effect green

Top box 35 l pearl effect green

Top box 35 l pb-324c

Top box 35 l pb-324c

Innerbag topbox

Innerbag topbox

Body cover xl honda logo

Body cover xl honda logo

Top box pad

Top box pad

Protective film

Protective film

Windshield

Windshield

Windshield excl knuckle guards

Windshield excl knuckle guards

Информация
  • О нас
  • Оплата
  • Доставка
  • Условия продажи
  • Политика конфиденциальности
Служба поддержки
  • Связаться с нами
  • Возврат товара
  • Карта сайта
Дополнительно
  • Производители
  • Подарочные сертификаты
  • Партнёры
  • Товары со скидкой
Личный кабинет
  • Личный кабинет
  • История заказов
  • Мои закладки
  • Рассылка новостей

Работает на ocStore
MOTO98.RU © 2018 - 2026