Санкт-Петербург, ул.Парковая д.6 (м. Московские ворота) +7(911)820-24-54 info.moto98@yandex.ru
  • В корзине пусто!

MOTO98.RU
  • Личный кабинет
    • Регистрация
    • Авторизация
  • Мои закладки (0)
  • Оформление заказа
Категории
  • Запчасти лодочных моторов
    • SUZUKI MARINE
    • Показать все Запчасти лодочных моторов
  • Запчасти для мотоциклов
    • KAWASAKI
    • AGUSTA
    • BMW MOTORRAD
    • BOMBARDIER
    • DUCATI
    • HARLEY DAVIDSON
    • HONDA MOTO
    • HUSQVARNA MOTORCYCIES
    • KTM
    • POLARIS
    • SUZUKI MOTO
    • TRIUMPH
    • YAMAHA
    • Показать все Запчасти для мотоциклов
  • Аналоги
    • ALLBALLS
    • CHAMPION
    • D.I.D
    • FERODO
    • HIFLOFILTRO
    • JT SPROCKETS
    • KYMCO
    • NACHI
    • NTB
    • TRW Lucas
    • КИТАЙ
    • Показать все Аналоги
  • Моторные масла
  • Каталоги производителей
  • Motorcycles
  • HONDA
  • 2001
  • Reflex (NSS250A AC)

Reflex (NSS250A AC)

Reflex
Воздушный фильтр

Воздушный фильтр

Air injection valve

Air injection valve

Alternator

Alternator

Battery

Battery

Body cover + luggage box

Body cover + luggage box

Cam chain

Cam chain

Camshaft + valve

Camshaft + valve

Carburetor

Carburetor

Caution labels

Caution labels

Картер

Картер

Crankshaft + piston

Crankshaft + piston

Cylinder

Cylinder

Cylinder head

Cylinder head

Cylinder head cover

Cylinder head cover

Drive face

Drive face

Driven face

Driven face

Evap canister

Evap canister

Floor step + side skirt

Floor step + side skirt

Frame

Frame

Front + rear turn signal

Front + rear turn signal

Front brake caliper

Front brake caliper

Front cover

Front cover

Front fender

Front fender

Front fork

Front fork

Front wheel

Front wheel

Fuel tank

Fuel tank

Gasket kit a

Gasket kit a

Gasket kit b

Gasket kit b

Handlebar + handle cover

Handlebar + handle cover

Headlight

Headlight

Inner box

Inner box

Left crankcase cover

Left crankcase cover

Luggage box

Luggage box

Marks

Marks

Muffler

Muffler

Oil pump

Oil pump

Parking brake

Parking brake

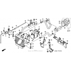
Radiator

Radiator

Rear brake caliper

Rear brake caliper

Rear brake master cylinder

Rear brake master cylinder

Rear shock absorber

Rear shock absorber

Rear wheel

Rear wheel

Right crankcase cover

Right crankcase cover

Seat + rear spoiler

Seat + rear spoiler

Speedometer

Speedometer

Stand

Stand

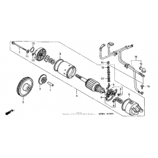
Starting motor

Starting motor

Steering stem

Steering stem

Switch + cable

Switch + cable

Taillight + rear fender

Taillight + rear fender

Tools

Tools

Трансмиссия

Трансмиссия

Водяной насос

Водяной насос

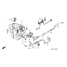
Front brake master cylinder (2)

Front brake master cylinder (2)

Rear brake pipe (2)

Rear brake pipe (2)

Wire harness (2)

Wire harness (2)

Информация
  • О нас
  • Оплата
  • Доставка
  • Условия продажи
  • Политика конфиденциальности
Служба поддержки
  • Связаться с нами
  • Возврат товара
  • Карта сайта
Дополнительно
  • Производители
  • Подарочные сертификаты
  • Партнёры
  • Товары со скидкой
Личный кабинет
  • Личный кабинет
  • История заказов
  • Мои закладки
  • Рассылка новостей

Работает на ocStore
MOTO98.RU © 2018 - 2026