Санкт-Петербург, ул.Парковая д.6 (м. Московские ворота) +7(911)820-24-54 info.moto98@yandex.ru
  • В корзине пусто!

MOTO98.RU
  • Личный кабинет
    • Регистрация
    • Авторизация
  • Мои закладки (0)
  • Оформление заказа
Категории
  • Запчасти лодочных моторов
    • SUZUKI MARINE
    • Показать все Запчасти лодочных моторов
  • Запчасти для мотоциклов
    • KAWASAKI
    • AGUSTA
    • BMW MOTORRAD
    • BOMBARDIER
    • DUCATI
    • HARLEY DAVIDSON
    • HONDA MOTO
    • HUSQVARNA MOTORCYCIES
    • KTM
    • POLARIS
    • SUZUKI MOTO
    • TRIUMPH
    • YAMAHA
    • Показать все Запчасти для мотоциклов
  • Аналоги
    • ALLBALLS
    • CHAMPION
    • D.I.D
    • FERODO
    • HIFLOFILTRO
    • JT SPROCKETS
    • KYMCO
    • NACHI
    • NTB
    • TRW Lucas
    • КИТАЙ
    • Показать все Аналоги
  • Моторные масла
  • Каталоги производителей
  • Motorcycles
  • HONDA
  • 2006
  • Today (NVS504SH6)

Today (NVS504SH6)

Today
Shroud

Shroud

Cylinder head cover

Cylinder head cover

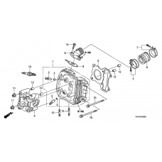
Cylinder head

Cylinder head

Camshaft/valve

Camshaft/valve

Cam chain/tensioner

Cam chain/tensioner

Cylinder

Cylinder

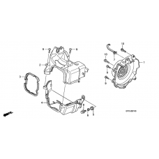
Right crankcase

Right crankcase

Generators

Generators

Oil pump

Oil pump

Starting motor

Starting motor

Left side cover

Left side cover

Drive face/ kick starter spindle

Drive face/ kick starter spindle

Driven face

Driven face

Трансмиссия

Трансмиссия

Left crankcase

Left crankcase

Crankshaft

Crankshaft

Carburetor assy

Carburetor assy

Phare

Phare

Meter

Meter

Handle lever/switch/cable

Handle lever/switch/cable

Handle pipe

Handle pipe

Front cover/leg shield

Front cover/leg shield

Front fender

Front fender

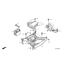
Floor step/battery

Floor step/battery

Body cover

Body cover

Front fork/steering stem

Front fork/steering stem

Transom + tube

Transom + tube

Rear wheel complete assy

Rear wheel complete assy

Seat/luggage box

Seat/luggage box

Tank fuel

Tank fuel

Rear fender

Rear fender

Воздушный фильтр

Воздушный фильтр

Air injection control valve

Air injection control valve

Exhaust muffler              

                  NVS502SH/3SH/4SH6

Exhaust muffler NVS502SH/3SH/4SH6

Stand/kick pedal

Stand/kick pedal

Rear cushion

Rear cushion

Winker

Winker

Taillight unit ass`y

Taillight unit ass`y

Harness wire

Harness wire

Frame body

Frame body

Tools

Tools

Caution label

Caution label

Label read the manual

Label read the manual

Информация
  • О нас
  • Оплата
  • Доставка
  • Условия продажи
  • Политика конфиденциальности
Служба поддержки
  • Связаться с нами
  • Возврат товара
  • Карта сайта
Дополнительно
  • Производители
  • Подарочные сертификаты
  • Партнёры
  • Товары со скидкой
Личный кабинет
  • Личный кабинет
  • История заказов
  • Мои закладки
  • Рассылка новостей

Работает на ocStore
MOTO98.RU © 2018 - 2026