Санкт-Петербург, ул.Парковая д.6 (м. Московские ворота) +7(911)820-24-54 info.moto98@yandex.ru
  • В корзине пусто!

MOTO98.RU
  • Личный кабинет
    • Регистрация
    • Авторизация
  • Мои закладки (0)
  • Оформление заказа
Категории
  • Запчасти лодочных моторов
    • SUZUKI MARINE
    • Показать все Запчасти лодочных моторов
  • Запчасти для мотоциклов
    • KAWASAKI
    • AGUSTA
    • BMW MOTORRAD
    • BOMBARDIER
    • DUCATI
    • HARLEY DAVIDSON
    • HONDA MOTO
    • HUSQVARNA MOTORCYCIES
    • KTM
    • POLARIS
    • SUZUKI MOTO
    • TRIUMPH
    • YAMAHA
    • Показать все Запчасти для мотоциклов
  • Аналоги
    • ALLBALLS
    • CHAMPION
    • D.I.D
    • FERODO
    • HIFLOFILTRO
    • JT SPROCKETS
    • KYMCO
    • NACHI
    • NTB
    • TRW Lucas
    • КИТАЙ
    • Показать все Аналоги
  • Моторные масла
  • Каталоги производителей
  • Motorcycles
  • HONDA
  • 2000
  • Scoopy (SH100Y)

Scoopy (SH100Y)

Scoopy
Fan cover/shroud

Fan cover/shroud

Cylinder/cylinder head

Cylinder/cylinder head

Generators

Generators

Starting motor

Starting motor

Left crankcase cover

Left crankcase cover

Drive face/ kick starter spindle

Drive face/ kick starter spindle

Driven face

Driven face

Трансмиссия

Трансмиссия

Crankcase/oil pump

Crankcase/oil pump

Crankshaft/piston

Crankshaft/piston

Carburetor assy

Carburetor assy

Phare

Phare

Speedometer

Speedometer

Handle lever/switch/cable

Handle lever/switch/cable

Front brake master cylinder

Front brake master cylinder

Handle pipe/handle cover

Handle pipe/handle cover

Front cover shutter

Front cover shutter

Front fender

Front fender

Floor panel

Floor panel

Body cover

Body cover

Front fork/front cushion

Front fork/front cushion

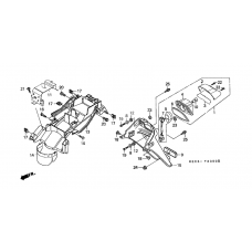
Front brake caliper

Front brake caliper

Transom + tube

Transom + tube

Rear wheel complete assy

Rear wheel complete assy

Seat

Seat

Fuel tank/fuel pump

Fuel tank/fuel pump

Battery

Battery

Oil tank

Oil tank

Воздушный фильтр

Воздушный фильтр

Exhaust muffler

Exhaust muffler

Stand comp

Stand comp

Rear cushion

Rear cushion

Winker

Winker

Rear fender/taillight

Rear fender/taillight

Harness wire

Harness wire

Frame body

Frame body

Tools

Tools

Caution label

Caution label

Mark/stripe              

                  3

Mark/stripe 3

Информация
  • О нас
  • Оплата
  • Доставка
  • Условия продажи
  • Политика конфиденциальности
Служба поддержки
  • Связаться с нами
  • Возврат товара
  • Карта сайта
Дополнительно
  • Производители
  • Подарочные сертификаты
  • Партнёры
  • Товары со скидкой
Личный кабинет
  • Личный кабинет
  • История заказов
  • Мои закладки
  • Рассылка новостей

Работает на ocStore
MOTO98.RU © 2018 - 2026