Санкт-Петербург, ул.Парковая д.6 (м. Московские ворота)
+7(911)820-24-54
info.moto98@yandex.ru
0 товар(ов) - 0.00 р.
В корзине пусто!
Поиск
Личный кабинет
Регистрация
Авторизация
Мои закладки (0)
Оформление заказа
Категории
Запчасти лодочных моторов
SUZUKI MARINE
Показать все Запчасти лодочных моторов
Запчасти для мотоциклов
KAWASAKI
AGUSTA
BMW MOTORRAD
BOMBARDIER
DUCATI
HARLEY DAVIDSON
HONDA MOTO
HUSQVARNA MOTORCYCIES
KTM
POLARIS
SUZUKI MOTO
TRIUMPH
YAMAHA
Показать все Запчасти для мотоциклов
Аналоги
ALLBALLS
CHAMPION
D.I.D
FERODO
HIFLOFILTRO
JT SPROCKETS
KYMCO
NACHI
NTB
TRW Lucas
КИТАЙ
Показать все Аналоги
Моторные масла
Каталоги производителей
Motorcycles
HONDA
2009
Pan-European (ST1300A9)
Pan-European (ST1300A9)
Pan-European
Cylinder head cover
Right cylinder head
Left cylinder head
Camshaft/valve
Cam chain/tensioner
Front crankcase cover
Water pump cover
Сцепление
Starting clutch
Rear crankcase cover
Starting motor
Generators
Primary shaft
Oil pump/oil pan
Картер
Crank shaft/piston
Balancer shaft
Трансмиссия
Gearshift drum
Final gear
Water pipe
Throttle body COMPONENT PARTS
Throttle body ASSY.
Air injection control valve
Gasket kit a
Gasket kit b
Phare
Meter
Switch/cable
Fr. brake master cylinder
Front brake hose ST1300A
Главный цилиндр сцепления
Handle pipe/top bridge
Steering stem
Front fender
Front
R. front brake caliper
L. front brake caliper
Transom + tube
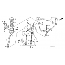
Rr. brake master cylinder ST1300A
Proportioning control valve ST1300A
Rear brake hose ST1300A
Rear brake caliper
Rear wheel complete assy
Final driven gear ST1300A
Tank fuel
Fuel pump
Seat
Grab rail
Side cover/rear cowl
Воздушный фильтр
Exhaust muffler
Brake pedal assy
Step
Stand comp
Swingarm
Rear cushion
Rear fender
Winker
Rear combination light
Battery
Harness wire ST1300A
Ignition coil
Frame body
Tools
Radiator
Wind screen
Upper cowling assy
Cowl pocket
Lower cowl
Cowl stay
Saddle bag
Caution label
Label read the manual
Quartet harness
Navi
Navi att.
Security kit
Stop light harness
Top box spoiler digital silver
Top box spoiler candy glory red
Top box spoiler cosmic black
Pannier inner band set
Top box 45l digital silver
45l top box candy glory red
Top box 45l cosmic black
Top box inner bag
Pannier inner bag
Tank bag
Rubber net a
Honda u-lock
Body cover