Санкт-Петербург, ул.Парковая д.6 (м. Московские ворота) +7(911)820-24-54 info.moto98@yandex.ru
  • В корзине пусто!

MOTO98.RU
  • Личный кабинет
    • Регистрация
    • Авторизация
  • Мои закладки (0)
  • Оформление заказа
Категории
  • Запчасти лодочных моторов
    • SUZUKI MARINE
    • Показать все Запчасти лодочных моторов
  • Запчасти для мотоциклов
    • KAWASAKI
    • AGUSTA
    • BMW MOTORRAD
    • BOMBARDIER
    • DUCATI
    • HARLEY DAVIDSON
    • HONDA MOTO
    • HUSQVARNA MOTORCYCIES
    • KTM
    • POLARIS
    • SUZUKI MOTO
    • TRIUMPH
    • YAMAHA
    • Показать все Запчасти для мотоциклов
  • Аналоги
    • ALLBALLS
    • CHAMPION
    • D.I.D
    • FERODO
    • HIFLOFILTRO
    • JT SPROCKETS
    • KYMCO
    • NACHI
    • NTB
    • TRW Lucas
    • КИТАЙ
    • Показать все Аналоги
  • Моторные масла
  • Каталоги производителей
  • Motorcycles
  • HONDA
  • 2007
  • Pan-European (ST1300 A)

Pan-European (ST1300 A)

Pan-European
*accessories

*accessories

Воздушный фильтр

Воздушный фильтр

Air injection control valve

Air injection control valve

Alternator

Alternator

Balancer shaft

Balancer shaft

Battery

Battery

Cam chain + tensioner

Cam chain + tensioner

Camshaft + valve

Camshaft + valve

Сцепление

Сцепление

Главный цилиндр сцепления

Главный цилиндр сцепления

Cowl pocket

Cowl pocket

Cowl stay

Cowl stay

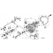
Картер

Картер

Crankshaft + piston

Crankshaft + piston

Cylinder head cover

Cylinder head cover

Evap canister

Evap canister

Final driven gear (st1300)

Final driven gear (st1300)

Final gear

Final gear

Frame

Frame

Front brake hose (st1300)

Front brake hose (st1300)

Front crankcase cover

Front crankcase cover

Front fender

Front fender

Front fork

Front fork

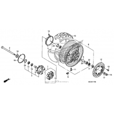
Front wheel

Front wheel

Fuel pump

Fuel pump

Fuel tank

Fuel tank

Gasket kit a

Gasket kit a

Gasket kit b

Gasket kit b

Gearshift drum

Gearshift drum

Grab rail

Grab rail

Handlebar + top bridge

Handlebar + top bridge

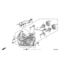
Headlight

Headlight

Ignition coil

Ignition coil

Left cylinder head

Left cylinder head

Lower cowl

Lower cowl

Marks

Marks

Muffler

Muffler

Oil pump + oil pan

Oil pump + oil pan

Pedal

Pedal

Primary shaft

Primary shaft

Proportioning control valve (st1300)

Proportioning control valve (st1300)

Radiator

Radiator

Rear brake caliper

Rear brake caliper

Rear brake hose (st1300)

Rear brake hose (st1300)

Rear brake master cylinder (st1300)

Rear brake master cylinder (st1300)

Rear combination light

Rear combination light

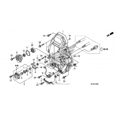
Rear crankcase cover

Rear crankcase cover

Rear fender

Rear fender

Rear shock absorber

Rear shock absorber

Rear wheel

Rear wheel

Right cylinder head

Right cylinder head

Saddlebag

Saddlebag

Seat

Seat

Side cover + rear cowl

Side cover + rear cowl

Stand

Stand

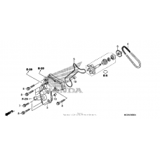
Starting clutch

Starting clutch

Starting motor

Starting motor

Steering stem

Steering stem

Swingarm

Swingarm

Switch + cable

Switch + cable

Throttle body (assy.)

Throttle body (assy.)

Tools

Tools

Трансмиссия

Трансмиссия

Turn signal

Turn signal

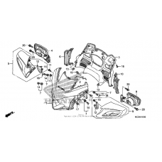
Upper cowl

Upper cowl

Water pipe

Water pipe

Водяной насос

Водяной насос

Windscreen

Windscreen

Wire harness (st1300)

Wire harness (st1300)

Front brake master cylinder

Front brake master cylinder

Labels

Labels

Left front brake caliper ('07)

Left front brake caliper ('07)

Meter

Meter

Right front brake caliper ('07)

Right front brake caliper ('07)

Step ('07)

Step ('07)

Throttle body (component parts)

Throttle body (component parts)

Информация
  • О нас
  • Оплата
  • Доставка
  • Условия продажи
  • Политика конфиденциальности
Служба поддержки
  • Связаться с нами
  • Возврат товара
  • Карта сайта
Дополнительно
  • Производители
  • Подарочные сертификаты
  • Партнёры
  • Товары со скидкой
Личный кабинет
  • Личный кабинет
  • История заказов
  • Мои закладки
  • Рассылка новостей

Работает на ocStore
MOTO98.RU © 2018 - 2026