Санкт-Петербург, ул.Парковая д.6 (м. Московские ворота)
+7(911)820-24-54
info.moto98@yandex.ru
0 товар(ов) - 0.00 р.
В корзине пусто!
Поиск
Личный кабинет
Регистрация
Авторизация
Мои закладки (0)
Оформление заказа
Категории
Запчасти лодочных моторов
SUZUKI MARINE
Показать все Запчасти лодочных моторов
Запчасти для мотоциклов
KAWASAKI
AGUSTA
BMW MOTORRAD
BOMBARDIER
DUCATI
HARLEY DAVIDSON
HONDA MOTO
HUSQVARNA MOTORCYCIES
KTM
POLARIS
SUZUKI MOTO
TRIUMPH
YAMAHA
Показать все Запчасти для мотоциклов
Аналоги
ALLBALLS
CHAMPION
D.I.D
FERODO
HIFLOFILTRO
JT SPROCKETS
KYMCO
NACHI
NTB
TRW Lucas
КИТАЙ
Показать все Аналоги
Моторные масла
Каталоги производителей
Motorcycles
HONDA
2002
Pan-European (ST1300A2)
Pan-European (ST1300A2)
Pan-European
Cylinder head cover
Right cylinder head
Left cylinder head
Camshaft/valve
Cam chain/tensioner
Front crankcase cover
Водяной насос
Сцепление
Starting clutch
Rear crankcase cover
Starting motor
Generators
Primary shaft
Oil pump/oil pan
Картер
Crank shaft/piston
Balancer shaft
Трансмиссия
Gearshift drum
Final gear
Water pipe
Throttle body COMPONENT PARTS
Throttle body ASSY.
Air injection control valve
Gasket kit a
Gasket kit b
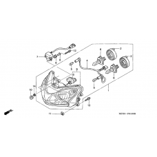
Phare
Meter
Switch/cable
Fr. brake master cylinder ST1300A
Front brake hose ST1300A
Главный цилиндр сцепления
Handle pipe/top bridge
Steering stem
Front fender
Front
R. front brake caliper
L. front brake caliper
Transom + tube
Rr. brake master cylinder ST1300A
Proportioning control valve ST1300A
Rear brake hose ST1300A
Rear brake caliper
Rear wheel complete assy
Final driven gear ST1300A
Tank fuel
Fuel pump
Seat
Grab rail
Side cover/rear cowl
Воздушный фильтр
Exhaust muffler
Brake pedal assy
Step
Stand comp
Swingarm
Rear cushion
Rear fender
Winker
Rear combination light
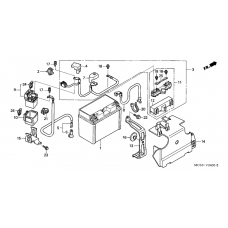
Battery
Harness wire ST1300A
Ignition coil
Frame body
Tools
Radiator
Wind screen
Upper cowling assy
Cowl pocket
Lower cowl
Cowl stay
Saddle bag
Caution label
Label read the manual
Rds radio
Quartet harness
Fr speaker set
Security kit
Stop light harness
Rear spoi*bg125m*
Top box spoiler candy ambassa
Rear spoi*nh478m*
Pannier inner band set
Top box 45l
Top box inner bag
Pannier inner bag
Tank bag
Rubber net a
Honda u-lock
Body cover