Санкт-Петербург, ул.Парковая д.6 (м. Московские ворота) +7(911)820-24-54 info.moto98@yandex.ru
  • В корзине пусто!

MOTO98.RU
  • Личный кабинет
    • Регистрация
    • Авторизация
  • Мои закладки (0)
  • Оформление заказа
Категории
  • Запчасти лодочных моторов
    • SUZUKI MARINE
    • Показать все Запчасти лодочных моторов
  • Запчасти для мотоциклов
    • KAWASAKI
    • AGUSTA
    • BMW MOTORRAD
    • BOMBARDIER
    • DUCATI
    • HARLEY DAVIDSON
    • HONDA MOTO
    • HUSQVARNA MOTORCYCIES
    • KTM
    • POLARIS
    • SUZUKI MOTO
    • TRIUMPH
    • YAMAHA
    • Показать все Запчасти для мотоциклов
  • Аналоги
    • ALLBALLS
    • CHAMPION
    • D.I.D
    • FERODO
    • HIFLOFILTRO
    • JT SPROCKETS
    • KYMCO
    • NACHI
    • NTB
    • TRW Lucas
    • КИТАЙ
    • Показать все Аналоги
  • Моторные масла
  • Каталоги производителей
  • Motorcycles
  • HONDA
  • 2009
  • Shadow Spirit (VT750C29)

Shadow Spirit (VT750C29)

Shadow Spirit
Cylinder head cover

Cylinder head cover

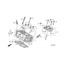
Front cylinder head

Front cylinder head

Rear cylinder head

Rear cylinder head

Intake manifold/injector

Intake manifold/injector

Camshaft/valve

Camshaft/valve

Cam chain

Cam chain

Cylinder

Cylinder

Right crankcase cover

Right crankcase cover

Сцепление

Сцепление

Starting clutch

Starting clutch

Generators

Generators

Left crankcase cover

Left crankcase cover

Water pump/left rear cove r

Water pump/left rear cove r

Starting motor

Starting motor

Oil pump

Oil pump

Картер

Картер

Crankshaft

Crankshaft

Трансмиссия

Трансмиссия

Gearshift drum

Gearshift drum

Water pipe

Water pipe

Cross shaft

Cross shaft

Throttle body

Throttle body

Gasket kit a

Gasket kit a

Gasket kit b

Gasket kit b

Phare              

                  ED,F,U

Phare ED,F,U

Meter

Meter

Handle lever/switch/cable

Handle lever/switch/cable

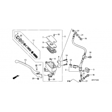
Fr. brake master cylinder

Fr. brake master cylinder

Handle pipe/top bridge

Handle pipe/top bridge

Steering stem

Steering stem

Front fender

Front fender

Front

Front

Front brake caliper

Front brake caliper

Transom + tube

Transom + tube

Rear brake panel

Rear brake panel

Rear wheel complete assy

Rear wheel complete assy

Final driven gear

Final driven gear

Tank fuel

Tank fuel

Fuel pump

Fuel pump

Seat

Seat

Side cover

Side cover

Воздушный фильтр

Воздушный фильтр

Air injection control valve

Air injection control valve

Exhaust muffler

Exhaust muffler

Brake pedal assy

Brake pedal assy

Step

Step

Side stand

Side stand

Swingarm

Swingarm

Rear cushion

Rear cushion

Rear fender

Rear fender

Winker

Winker

Taillight unit ass`y

Taillight unit ass`y

Battery

Battery

Harness wire

Harness wire

Frame body

Frame body

Tools

Tools

Radiator

Radiator

Caution label

Caution label

Label read the manual

Label read the manual

Alarm sys.

Alarm sys.

Mini clock: 3,5 x 2,3 x 1 cm

Mini clock: 3,5 x 2,3 x 1 cm

Ch bkrst mnt brkt

Ch bkrst mnt brkt

Chrome backrest w

Chrome backrest w

Ch backrest whth

Ch backrest whth

Backrest plate

Backrest plate

Ch bkrst plate              

                  LO

Ch bkrst plate LO

Leather tank pane

Leather tank pane

Leather tankbelt              

                  STUDDED

Leather tankbelt STUDDED

Rear carrier

Rear carrier

Информация
  • О нас
  • Оплата
  • Доставка
  • Условия продажи
  • Политика конфиденциальности
Служба поддержки
  • Связаться с нами
  • Возврат товара
  • Карта сайта
Дополнительно
  • Производители
  • Подарочные сертификаты
  • Партнёры
  • Товары со скидкой
Личный кабинет
  • Личный кабинет
  • История заказов
  • Мои закладки
  • Рассылка новостей

Работает на ocStore
MOTO98.RU © 2018 - 2026