Санкт-Петербург, ул.Парковая д.6 (м. Московские ворота) +7(911)820-24-54 info.moto98@yandex.ru
  • В корзине пусто!

MOTO98.RU
  • Личный кабинет
    • Регистрация
    • Авторизация
  • Мои закладки (0)
  • Оформление заказа
Категории
  • Запчасти лодочных моторов
    • SUZUKI MARINE
    • Показать все Запчасти лодочных моторов
  • Запчасти для мотоциклов
    • KAWASAKI
    • AGUSTA
    • BMW MOTORRAD
    • BOMBARDIER
    • DUCATI
    • HARLEY DAVIDSON
    • HONDA MOTO
    • HUSQVARNA MOTORCYCIES
    • KTM
    • POLARIS
    • SUZUKI MOTO
    • TRIUMPH
    • YAMAHA
    • Показать все Запчасти для мотоциклов
  • Аналоги
    • ALLBALLS
    • CHAMPION
    • D.I.D
    • FERODO
    • HIFLOFILTRO
    • JT SPROCKETS
    • KYMCO
    • NACHI
    • NTB
    • TRW Lucas
    • КИТАЙ
    • Показать все Аналоги
  • Моторные масла
  • Каталоги производителей
  • Motorcycles
  • SUZUKI
  • 2011
  • DR400 (DR-Z400SML1(E24) L1)

DR400 (DR-Z400SML1(E24) L1)

DR400
Feed set fuel

Feed set fuel

Cylinder head cover

Cylinder head cover

Cylinder head

Cylinder head

Cylinder

Cylinder

Картер

Картер

Crankcase cover ass`y (v

Crankcase cover ass`y (v

Crankshaft

Crankshaft

Starter clutch

Starter clutch

Crank balancer

Crank balancer

Camshaft/valve

Camshaft/valve

Cam chain

Cam chain

Carburetor assy

Carburetor assy

Воздушный фильтр

Воздушный фильтр

Muffler comp

Muffler comp

Oil pump

Oil pump

Oil hose

Oil hose

Водяной насос

Водяной насос

Radiator fan

Radiator fan

Radiator

Radiator

2nd air

2nd air

Сцепление

Сцепление

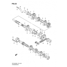
Трансмиссия

Трансмиссия

Gear shifting

Gear shifting

Starting motor

Starting motor

Magneto

Magneto

Equipo electrico

Equipo electrico

Battery

Battery

Speedometer

Speedometer

Headlamp

Headlamp

Turnsignal front & rear lamp

Turnsignal front & rear lamp

Tail lamp

Tail lamp

Wiring harness

Wiring harness

Handle switch

Handle switch

Frame comp

Frame comp

Stand comp

Stand comp

Front brake caliper

Front brake caliper

Tank fuel

Tank fuel

Fuel cock

Fuel cock

Frame cover

Frame cover

Front fender

Front fender

Handlebar

Handlebar

Right handle lever

Right handle lever

Left handle lever

Left handle lever

Rear fender

Rear fender

Honda mark

Honda mark

Seat

Seat

Front

Front

Transom + tube

Transom + tube

Front caliper

Front caliper

Front master cylinder

Front master cylinder

Rear swinging arm

Rear swinging arm

Rear shock absorber

Rear shock absorber

Rear cushion lever

Rear cushion lever

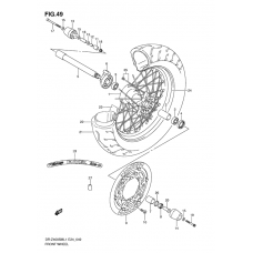
Rear wheel complete assy

Rear wheel complete assy

Rear caliper

Rear caliper

Rear master cylinder

Rear master cylinder

Optional

Optional

Информация
  • О нас
  • Оплата
  • Доставка
  • Условия продажи
  • Политика конфиденциальности
Служба поддержки
  • Связаться с нами
  • Возврат товара
  • Карта сайта
Дополнительно
  • Производители
  • Подарочные сертификаты
  • Партнёры
  • Товары со скидкой
Личный кабинет
  • Личный кабинет
  • История заказов
  • Мои закладки
  • Рассылка новостей

Работает на ocStore
MOTO98.RU © 2018 - 2026