Санкт-Петербург, ул.Парковая д.6 (м. Московские ворота) +7(911)820-24-54 info.moto98@yandex.ru
  • В корзине пусто!

MOTO98.RU
  • Личный кабинет
    • Регистрация
    • Авторизация
  • Мои закладки (0)
  • Оформление заказа
Категории
  • Запчасти лодочных моторов
    • SUZUKI MARINE
    • Показать все Запчасти лодочных моторов
  • Запчасти для мотоциклов
    • KAWASAKI
    • AGUSTA
    • BMW MOTORRAD
    • BOMBARDIER
    • DUCATI
    • HARLEY DAVIDSON
    • HONDA MOTO
    • HUSQVARNA MOTORCYCIES
    • KTM
    • POLARIS
    • SUZUKI MOTO
    • TRIUMPH
    • YAMAHA
    • Показать все Запчасти для мотоциклов
  • Аналоги
    • ALLBALLS
    • CHAMPION
    • D.I.D
    • FERODO
    • HIFLOFILTRO
    • JT SPROCKETS
    • KYMCO
    • NACHI
    • NTB
    • TRW Lucas
    • КИТАЙ
    • Показать все Аналоги
  • Моторные масла
  • Каталоги производителей
  • Motorcycles
  • SUZUKI
  • 2003
  • FD112 (FD112KK3(E41) K3)

FD112 (FD112KK3(E41) K3)

FD112
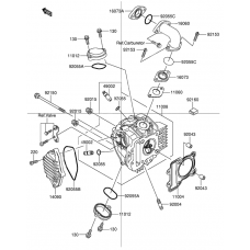
Cylinder head

Cylinder head

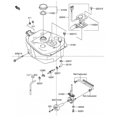
Cylinder/piston

Cylinder/piston

Воздушный фильтр

Воздушный фильтр

Muffler comp

Muffler comp

Valve

Valve

Camshaft/tensioner

Camshaft/tensioner

Crankshaft

Crankshaft

Kickstarter mechanism

Kickstarter mechanism

Сцепление

Сцепление

Трансмиссия

Трансмиссия

Gear change drum/shift

Gear change drum/shift

Gear change mechanism

Gear change mechanism

Картер

Картер

Engine cover

Engine cover

Carburetor assy

Carburetor assy

Oil pump

Oil pump

Generators

Generators

Ignition system

Ignition system

Starter motor

Starter motor

Frame comp

Frame comp

Engine mount

Engine mount

Frame fitting

Frame fitting

Swingarm/shock absorber

Swingarm/shock absorber

Footrest

Footrest

Fender

Fender

Stand comp

Stand comp

Rear tire x

Rear tire x

Front hub

Front hub

Rear hub

Rear hub

Педаль тормоза

Педаль тормоза

Front master cylinder

Front master cylinder

Front brake caliper

Front brake caliper

Handlebar

Handlebar

Front

Front

Tank fuel

Tank fuel

Seat

Seat

Meter

Meter

Clutch cable

Clutch cable

Side cover/chain cover

Side cover/chain cover

Leg shield

Leg shield

Phare

Phare

Taillight unit ass`y

Taillight unit ass`y

Turn signal

Turn signal

Chassis electrical equipment

Chassis electrical equipment

Ignition switch

Ignition switch

Owner's tool

Owner's tool

Honda mark

Honda mark

Decal              

                  Silver

Decal Silver

Decal              

                  Blue

Decal Blue

Decal              

                  Black

Decal Black

Информация
  • О нас
  • Оплата
  • Доставка
  • Условия продажи
  • Политика конфиденциальности
Служба поддержки
  • Связаться с нами
  • Возврат товара
  • Карта сайта
Дополнительно
  • Производители
  • Подарочные сертификаты
  • Партнёры
  • Товары со скидкой
Личный кабинет
  • Личный кабинет
  • История заказов
  • Мои закладки
  • Рассылка новостей

Работает на ocStore
MOTO98.RU © 2018 - 2026