Санкт-Петербург, ул.Парковая д.6 (м. Московские ворота) +7(911)820-24-54 info.moto98@yandex.ru
  • В корзине пусто!

MOTO98.RU
  • Личный кабинет
    • Регистрация
    • Авторизация
  • Мои закладки (0)
  • Оформление заказа
Категории
  • Запчасти лодочных моторов
    • SUZUKI MARINE
    • Показать все Запчасти лодочных моторов
  • Запчасти для мотоциклов
    • KAWASAKI
    • AGUSTA
    • BMW MOTORRAD
    • BOMBARDIER
    • DUCATI
    • HARLEY DAVIDSON
    • HONDA MOTO
    • HUSQVARNA MOTORCYCIES
    • KTM
    • POLARIS
    • SUZUKI MOTO
    • TRIUMPH
    • YAMAHA
    • Показать все Запчасти для мотоциклов
  • Аналоги
    • ALLBALLS
    • CHAMPION
    • D.I.D
    • FERODO
    • HIFLOFILTRO
    • JT SPROCKETS
    • KYMCO
    • NACHI
    • NTB
    • TRW Lucas
    • КИТАЙ
    • Показать все Аналоги
  • Моторные масла
  • Каталоги производителей
  • Motorcycles
  • SUZUKI
  • 2000
  • SMX50 (SMX50Y Y)

SMX50 (SMX50Y Y)

SMX50
Cylinder

Cylinder

Картер

Картер

Crankcase cover ass`y (v

Crankcase cover ass`y (v

Crankshaft

Crankshaft

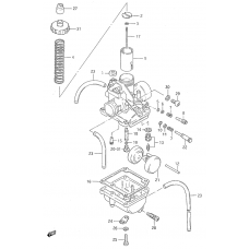
Carburetor assy

Carburetor assy

Воздушный фильтр

Воздушный фильтр

Muffler comp

Muffler comp

Oil pump

Oil pump

Водяной насос

Водяной насос

Radiator

Radiator

Сцепление

Сцепление

Трансмиссия

Трансмиссия

Gear shifting

Gear shifting

Kick starter

Kick starter

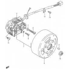
Magneto

Magneto

Equipo electrico

Equipo electrico

Speedometer

Speedometer

Headlamp

Headlamp

Turnsignal front & rear lamp

Turnsignal front & rear lamp

Tail lamp

Tail lamp

Wiring harness

Wiring harness

Frame comp

Frame comp

Stand comp

Stand comp

Footrest

Footrest

Tank fuel

Tank fuel

Oil tank

Oil tank

Seat

Seat

Frame cover

Frame cover

Steering stem

Steering stem

Front damper

Front damper

Headlamp housing

Headlamp housing

Front fender

Front fender

Transom + tube

Transom + tube

Handlebar

Handlebar

Right handle switch

Right handle switch

Left handle switch

Left handle switch

Front caliper

Front caliper

Front master cylinder

Front master cylinder

Rear swinging arm

Rear swinging arm

Rear shock absorber

Rear shock absorber

Rear fender

Rear fender

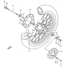
Rear wheel complete assy

Rear wheel complete assy

Rear caliper

Rear caliper

Rear master cylinder

Rear master cylinder

Информация
  • О нас
  • Оплата
  • Доставка
  • Условия продажи
  • Политика конфиденциальности
Служба поддержки
  • Связаться с нами
  • Возврат товара
  • Карта сайта
Дополнительно
  • Производители
  • Подарочные сертификаты
  • Партнёры
  • Товары со скидкой
Личный кабинет
  • Личный кабинет
  • История заказов
  • Мои закладки
  • Рассылка новостей

Работает на ocStore
MOTO98.RU © 2018 - 2026