Санкт-Петербург, ул.Парковая д.6 (м. Московские ворота) +7(911)820-24-54 info.moto98@yandex.ru
  • В корзине пусто!

MOTO98.RU
  • Личный кабинет
    • Регистрация
    • Авторизация
  • Мои закладки (0)
  • Оформление заказа
Категории
  • Запчасти лодочных моторов
    • SUZUKI MARINE
    • Показать все Запчасти лодочных моторов
  • Запчасти для мотоциклов
    • KAWASAKI
    • AGUSTA
    • BMW MOTORRAD
    • BOMBARDIER
    • DUCATI
    • HARLEY DAVIDSON
    • HONDA MOTO
    • HUSQVARNA MOTORCYCIES
    • KTM
    • POLARIS
    • SUZUKI MOTO
    • TRIUMPH
    • YAMAHA
    • Показать все Запчасти для мотоциклов
  • Аналоги
    • ALLBALLS
    • CHAMPION
    • D.I.D
    • FERODO
    • HIFLOFILTRO
    • JT SPROCKETS
    • KYMCO
    • NACHI
    • NTB
    • TRW Lucas
    • КИТАЙ
    • Показать все Аналоги
  • Моторные масла
  • Каталоги производителей
  • Motorcycles
  • YAMAHA
  • 2021
  • MT-07A MT-07 ABS (BAT9)

MT-07A MT-07 ABS (BAT9)

MT-07A MT-07 ABS
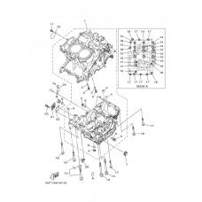
Cylinder head

Cylinder head

Crankshaft & piston

Crankshaft & piston

Valve

Valve

Camshaft & chain

Camshaft & chain

Водяной насос

Водяной насос

Radiator & hose

Radiator & hose

Oil pump

Oil pump

Oil cleaner

Oil cleaner

Intake

Intake

Intake 2

Intake 2

Exhaust

Exhaust

Картер

Картер

Crankcase cover 1

Crankcase cover 1

Starter

Starter

Сцепление

Сцепление

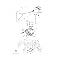
Трансмиссия

Трансмиссия

Shift cam & fork

Shift cam & fork

Shift shaft

Shift shaft

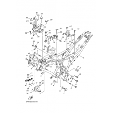
Frame

Frame

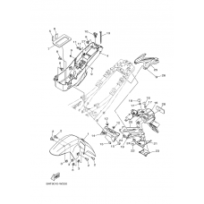
Fender

Fender

Side cover

Side cover

Rear arm

Rear arm

Rear suspension

Rear suspension

Steering

Steering

Front fork

Front fork

Fuel tank

Fuel tank

Fuel tank 2

Fuel tank 2

Seat

Seat

Front wheel

Front wheel

Front brake caliper

Front brake caliper

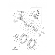
Rear wheel

Rear wheel

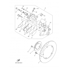
Rear brake caliper

Rear brake caliper

Steering handle & cable

Steering handle & cable

Front master cylinder

Front master cylinder

Stand & footrest

Stand & footrest

Stand & footrest 2

Stand & footrest 2

Rear master cylinder

Rear master cylinder

Generator

Generator

Starting motor

Starting motor

Flasher Light

Flasher Light

Meter

Meter

Headlight

Headlight

Taillight

Taillight

Handle switch & lever

Handle switch & lever

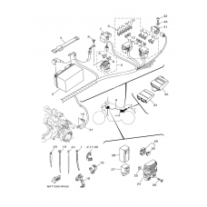
Electrical 1

Electrical 1

Electrical 2

Electrical 2

Electrical 3

Electrical 3

Emblem & label

Emblem & label

Информация
  • О нас
  • Оплата
  • Доставка
  • Условия продажи
  • Политика конфиденциальности
Служба поддержки
  • Связаться с нами
  • Возврат товара
  • Карта сайта
Дополнительно
  • Производители
  • Подарочные сертификаты
  • Партнёры
  • Товары со скидкой
Личный кабинет
  • Личный кабинет
  • История заказов
  • Мои закладки
  • Рассылка новостей

Работает на ocStore
MOTO98.RU © 2018 - 2026